无源滤波补偿装置
栏目:电能综合治理、节能改造 发布时间:2019-04-07 17:32
无源滤波补偿设备
工作原理和技术特点:
本装置主要由滤波电容器、滤波电抗器、无感电阻、控制保护系统组合而成,与谐波源负载并联。在实际运用中根据谐波电流的成份,大小以及无功需求情况进行设计,使得该滤波装置向谐波提供一个低阻抗通道,谐波电流大部分流入滤波器,使电网的畸变减小;而对于基波频率(50HZ),滤波装置可采用单调谐,双调谐,高通滤波装置组成一个滤波系统,对系统中谐波成份进行滤除,同时满足无功补偿的要求。
--滤波电容器,滤波电抗器采用特殊设计的优质电容器,电抗器,质量可靠,性能好
--保护方式齐全,具有过流,过压,欠压,欠流 ,不平衡保护和电容器熔丝保护等功能
--滤波装置结构紧凑,操作简单



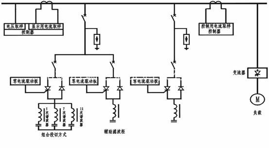
接线图:
 
 
某客户新增设备后滤波前后数据对比图:

 
滤波前

 
滤波后
上一篇:电能综合治理
下一篇:没有了
服务热线
13771547753
0510-85873695